Driver Electronics and PCB Design

Miniature driver electronics and PCB implementation for untethered electrohydraulic robotic systems.

Outcome

I designed and validated miniature driver electronics and PCB hardware that enabled untethered HALVE robotic platforms. The electronics stack bridged actuation, sensing, and control in compact packages that were deployed on both gripper and fish demonstrators.

Problem

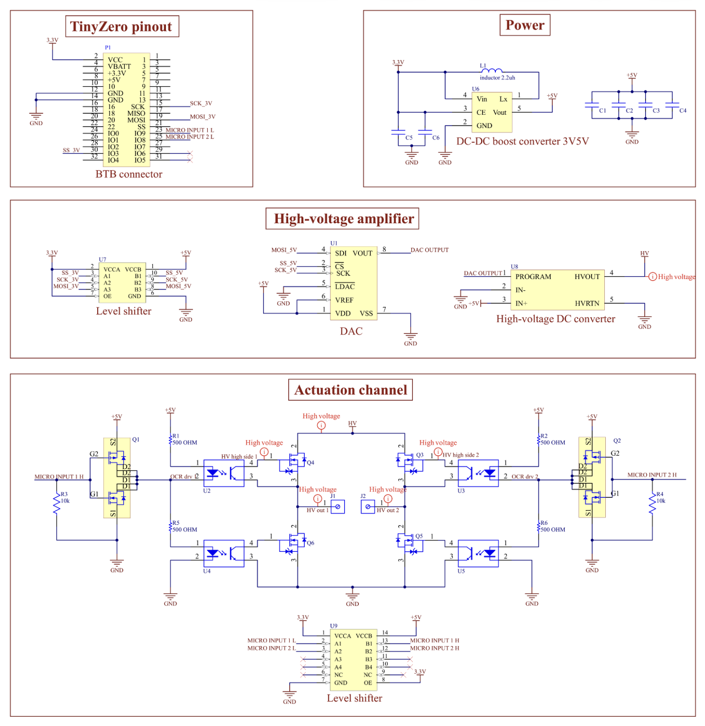
Electrohydraulic artificial muscles need high electric fields, but untethered robots need low mass, low idle power, and reliable multi-channel drive electronics. The practical challenge is not only generating voltage, but packaging power conversion, switching, communication, and battery interfaces into a robust system that can run on-board.

System

  • Power stage: custom miniature high-voltage supply modules driving HALVE actuators at up to 900 V
  • Switching stage: compact H-bridge channel architecture using HV MOSFET switching and level-shifted control
  • Control interfaces: microcontroller/radio integration for untethered command and channel actuation
  • Packaging: modular single-channel and two-channel PCB assemblies for different robotic payloads
  • Demonstrator integration: electronics embedded in untethered gripper and untethered fish platforms

Contribution

  • Designed and tested the miniature high-voltage power-supply electronics used in the HALVE platforms
  • Implemented PCB architecture and component-level integration for compact multi-channel operation
  • Performed hardware validation and integration with untethered robotic demonstrators

Technical Stack

  • Power electronics for electrohydraulic actuation
  • PCB design and layout (Altium)
  • HV switching and gate/control interface design
  • Embedded communication/control integration
  • Hardware-software system integration and validation

Key Results

  • Two-channel electronics assembly: 42 x 19 x 22 mm (about 11 cm^3) at 15.5 g
  • One-channel variant used in the gripper: 13 g
  • Converter behavior: 0.05 W no-load to 0.875 W maximum-load converter power (plus ~0.35 W for the rest of the unit)
  • Untethered fish demo at 800 V, 2 Hz antagonistic actuation reached 3.8 cm/s peak speed (~0.14 body lengths/s)
  • Fish electronics consumed about 0.6 W on average during 2 Hz actuation, with about 54 min continuous runtime on full charge
  • Published in Science Advances (2024)

Media

Supplementary Movie S4: five-pouch HALVE actuator lifting the custom high-voltage power supply.
Supplementary Movie S5: untethered HALVE gripper demo with onboard electronics.
Supplementary Movie S6: untethered fish demo with 2 Hz antagonistic actuation at 800 V.

Impact and Future Direction

This project shows that electrohydraulic actuation can move beyond benchtop power setups into compact, untethered robotic systems. The same electronics architecture can be scaled to additional channels and adapted for other musculoskeletal or soft robotic platforms where mass, efficiency, and reliability are tightly coupled.

Skills

driver electronics PCB design Altium HV switching electrohydraulic robotics embedded integration system validation